EDI除盐设备
EDi除盐设备

EDI(Electrodeionization)是一种具有革命性意义的水处理技术,它巧妙地将电渗析与离子交换有机地结合在一起的膜分离脱盐工艺,属高科技绿色环保技术。EDI净水设备具有连续出水、无需酸碱再生和无人值守等优点,已在制备纯水的系统中逐步代替混床作为精处理设备使用。这种先进技术的环保特性好,操作使用简便,愈来愈多地被人们所认可,也愈来愈多广泛地在医药、电子、电力、化工等行业得到推广,至今国际上已有3千多套EDI装置在运行,总容量已超过3万M/H。它的出现是水处理技术的一次革命性的进步,标志着水处理工业最终全面跨入绿色产业的行业。
EDI技术应用电再生离子交换除盐工艺取代传统混合离子交换除盐工艺DI。通过离子交换树脂及选择性离子膜达到高脱盐效果,与反渗透结合的联合工艺使产水水质可达10~15MΩ·CM的高规格产水。
规格型号
EDI模块规格齐全,单个模块产水量从 10 L/h到10m3/h。数十个模块并联可以产生一个几乎无限规模的系统。在适当操作条件下运行,模块可以生产出电阻率15—18 M?·cm的高纯水。
微型:10 L/h,30 L/h,60 L/h,100 L/h,200 L/h
标准型:0.5 m3/h,1m3/h,2 m3/h,3 m3/h
大型:6 m3/h,8 m3/h,10 m3/h
RO-EDI 纯水高纯水设备
主要技术特点与性能指标
(1) 脱盐率大于99.9%,效率远远高于两级反渗透和单纯的离子交换。
(2) 较传统的离子交换法脱盐节约树脂95%以上
(3) 离子交换树脂不需使用酸碱再生,节约大量酸碱和清洗用水,降低劳动 强度。
(4) 清洁生产,无废水处理问题,利于环保。
(5) 自动化程度高,易维护,可设计成完善的膜技术高纯水生产线。
(6) 产水电阻率15-18MΩ.cm,pH 6.5-7.0,硅<1.0ppb,彻底无菌。
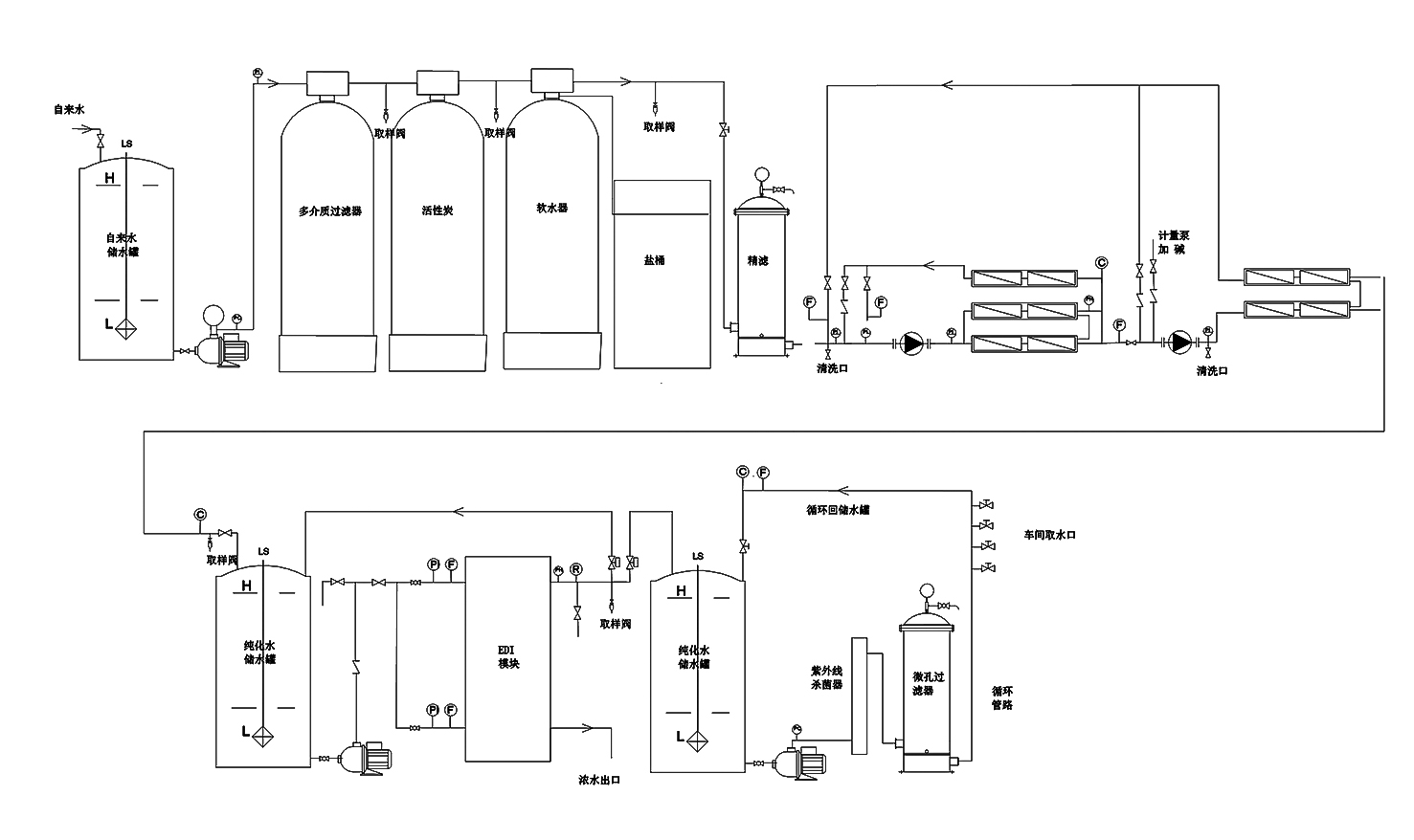
ROEDI高纯水系统流程图




